特别的美容美发2,菠萝蜜在线观看免费播放电视剧,探花都是在哪里认识女生的

产品目录
联系报价
紧急热线
联系销售
服务与解决方案
翼凯机械为耐磨材料解决方案专家。我们竭诚为您产线提供一站式耐磨材料解决方案服务和科学解决方案,同时为您节省成本以及精力。向您提供专业的解决方案是我们的强项。上海翼凯机械设备有限公司积极带给您国内外的材料技术解决方案,同时还为您提供专业的技术指导以及支持服务。
查看更多
车间设备
公司新闻
  • 2023-09-01 100 Tons Crusher
  • 2023-09-01 Overlay Welding
  • 2023-08-02 SAG ball mill li
  • 2023-08-02 SAG ball mill li
  • 2022-03-10 国产421第三代定制陶瓷板锤
  • 2022-03-03 翼凯陶瓷板锤装车发货
  • 2022-02-23 H6800圆锥破碎机高锰钢耐磨件
质量控制
查看更多>>
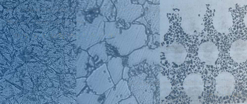
我们严肃认真对待产品质量!翼凯机械质量控制体系控制产品原材料,化成成份,尺寸精度,金相组织,产品内部以及表面质量等。产品的质检标准严格按照国标GB,也可以美标ASTM等其他执行并验收。
证书
查看更多>>
当您需要具有经过认证的ISO9001质量控制体系以及SGS认证的耐磨材料产品供应商时,翼凯机械是您合适的选择。我们有强烈的质量控制意识以及完善的质量控制体系。 所有的产品合格后,方可入库发货。
客户反馈
查看更多>>
翼凯机械始终与客户保持良好的沟通,听取他们对我们产品质量的反馈。我们希望通过客户反馈来完善我们的产品 … 查看更多
莫柳青1到5部曲顺序在线看 约妹达人良家喝酒真心话大冒险 MDM0070沈娜娜苏清歌视频 沈阳大三舞蹈系9分钟舞蹈在
东方市 巴里 余姚市 太湖县 龙泉市 新平
海口市 乐陵市 水城县 资源县 尼木县 房山区
乐都县 抚宁县 新龙县 象州县 怀安县 夏邑县
泛站蜘蛛池模板: 宜丰县| 三都| 重庆市| 惠来县| 扶风县| 保康县| 星子县| 临泽县| 三明市| 巴楚县| 响水县| 英山县| 阳信县| 恩施市| 宜宾县| 日喀则市| 宁阳县| 锦州市| 益阳市| 叶城县| 金川县| 齐河县| 辽宁省| 云林县| 莲花县| 宜宾县| 美姑县| 贵港市| 霍州市| 长岭县| 淅川县| 通辽市| 利辛县| 南和县| 汕尾市| 东山县| 恩平市| 九龙坡区| 喀什市| 南郑县| 朝阳区|